Tooted
Valatud terasest tagasilöögiklapp
  • Valatud terasest tagasilöögiklappValatud terasest tagasilöögiklapp

Valatud terasest tagasilöögiklapp

Jinqiu Valve toodab kvaliteetseid valatud terasest tagasilöögiklappe, mis on automaatsed ventiilid, mis avanevad automaatselt vastavalt keskkonna voolurõhule ja sulguvad automaatselt gravitatsiooni või vasturõhu mõjul, kui keskkond voolab tagasi. Need ventiilid sobivad erinevate tööstuslike torustike jaoks, on tavaliselt valmistatud valatud terasest ja on kasutatavad mitmesugustes keskkonna- ja temperatuuritingimustes.

Jinqiu Valve tehase vastupidav valuterasest tagasilöögiklapp on mõlemalt poolt sümmeetriline, võimaldades kahesuunalist meediavoogu. Paigaldamine on lihtne, välistades vajaduse arvestada torujuhtme suunda, ning kasutamine on paindlik ja mugav. Meie tehas järgib kõigepealt terviklikkuse ja kvaliteedi põhimõtteid. Tervitame soojalt teie päringuid ja loodame luua teiega pikaajalise koostöösuhte. Meil on eelised tootmises, teil aga müügis. Usume, et koostöö kaudu saavutame olukorra, millest võidavad kõik, ning loodame koos kasvada!


1. Madal vedelikutakistus: valatud terasest tagasilöögiklapi sisemine keskkond voolab sirgjooneliselt minimaalse takistusega, hõlbustades sujuvat vedeliku transporti, energiatõhusust ja praktilisust.
2. Lihtne avada ja sulgeda: valatud terasest tagasilöögiklapi värav liigub koos vedelikuga vertikaalselt, avamiseks ja sulgemiseks on vaja minimaalset jõudu, mis lihtsustab tööd ja säästab tööjõukulusid.
3. Piiramatu keskmise voolu suund: valatud terasest tagasilöögiklapp on mõlemal küljel sümmeetriline, võimaldades kahesuunalist keskkonnavoolu. Paigaldamine ei nõua torujuhtme voolusuuna arvestamist, muutes töö paindlikuks ja mugavaks.
4. Suurepärane tihendusvõime: täielikult avatud kulumine on minimaalne; kui see on suletud, võib rõhk sundida tihendit, vältides tõhusalt keskkonna leket.

Jõudlusparameetrid

mudel H44H-16C~2=-0 H44W-16P~250
Töörõhk (MPa) 1,6-25
õige temperatuur (℃) ≤425 ≤550
Sobiv kandja Vesi, aur, õli Nõrk söövitav keskkond
materjalist Kere, kapott, ketas Süsinikteras Kroomitud nikkel-titaan roostevaba teras
Tihenduspind Süsinikterasest pinnakatte rauapõhised sulamid Korpus pitseeritud

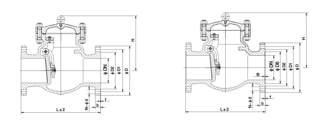
Peamine kuju ja ühenduse mõõtmed

NimiläbimõõtDN Peamised mõõtmed ja ühenduse mõõtmed
L D D1 D2 b Z-d H
H44H-16C H44W-16C H44W-16P H44W-16R H44W-16I
25 160 115 85 65 16 4-14 100
32 180 135 100 78 16 4-18 105
40 200 145 100 85 16 4-18 115
50 230 160 125 100 16 4-18 135
65 290 180 145 120 18 4-18 142
80 310 195 160 135 20 8-18 165
100 350 215 180 155 20 8-18 180
125 400 245 210 185 22 8-18 210
150 480 280 240 210 24 8-23 233
200 500 335 295 265 26 12-23 304
250 550 405 355 320 30 12-25 348
300 650 460 410 375 30 12-25 390
350 750 520 470 435 34 16-25 430
400 850 580 525 485 36 16-30 468
H44H-25 H44W-25 H44W-25P H44W-25R H44W-25I
25 160 115 85 65 16 4-14 100
32 180 135 100 78 16 4-18 105
40 200 145 110 85 16 4-18 115
50 230 160 125 100 20 4-18 160
65 290 180 145 120 22 8-18 175
80 310 195 160 135 22 8-18 185
100 350 230 190 160 24 8-23 220
125 400 270 220 188 28 8-25 248
150 480 300 250 218 30 8-25 276
200 550 360 310 278 34 12-25 350
250 650 425 370 332 36 12-30 410
300 750 485 430 390 40 16-30 430
350 850 550 490 448 44 16-34 518
400 950 610 550 505 48 16-34 560

Struktuuripilt

Kuumad sildid: Valatud terasest tagasilöögiklapp, Hiina, kohandatud, kvaliteetne, vastupidav, täiustatud, tootja, tarnija, tehas, laos
Saada päring
Kontaktinfo
  • Aadress

    No.1, North 1st Road, Stainless Steel New Town, Lecong Steel World West Road, Shunde piirkond, Foshan City, Guangdongi provints, Hiina

Kui teil on päringuid siibri, ventiilide ja tagasilöögiklappide või hinnakirja kohta, jätke meile oma e-kiri ja me võtame teiega ühendust 24 tunni jooksul.

X
Kasutame küpsiseid, et pakkuda teile paremat sirvimiskogemust, analüüsida saidi liiklust ja isikupärastada sisu. Seda saiti kasutades nõustute meie küpsiste kasutamisega. Privaatsuspoliitika
Keeldu Nõustu